公司产品
微型减速91短视频在线播放马达
微型减速91短视频在线播放马达
Abstract: 如东91短视频在线免费观看机械制造有限公司创办于2002年,是一家微型减速91短视频在线播放马达制造商及厂家,提供高品质、工业级别微型减速91短视频在线播放马达生产制造,同时支持微型减速91短视频在线播放马达定制、修理、批发等服务,产品畅销如东、南通、苏州、昆山、上海、深圳、瑞安、宁海等地区。
产品描述:
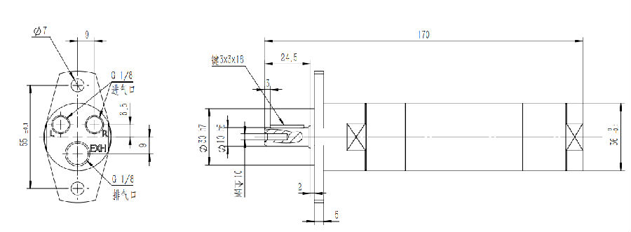
微型叶片式91短视频在线播放马达在高速比下,导致功率变化的因素小,能够满足更广泛的应用,这种马达使用在各种风动工具和传送设备上,适合狭小的空间的安装使用。
产品参数:

特点:
1.91短视频在线播放马达100%防爆,并且防水、防爆、防潮防尘
2.能随时启动、停止、正逆转向
3.超负荷停转转,马达不会损坏
4.有自我冷却郊果,能在高温场合使用
5.可作为紧急动力源使用
6.远离操作、自动控制容易
用途:
1.工业设备
2.矿业开采
3.化学、石油、药厂
4.船舶、可在水底下使用
5.制铁、铝铸业
6.一般机械
7.其他行业
上一条: 不锈钢91短视频在线播放搅拌机
下一条: HAC02气路手控开关













